回火脆性(回火脆性温度对照表)
回火脆性
热处理:是指将钢在固态下加热、保温和冷却,以改变钢的组织结构,获得所需要性能的一种工艺。
为简明表示热处理的基本工艺过程,通常用温度—时间坐标绘出热处理工艺曲线!

为简明表示热处理的基本工艺过程,通常用温度—时间坐标绘出热处理工艺曲线!
热处理分类:
热处理原理:描述热处理时钢中组织转变的规律氢脆称热处理原理。
热处理工艺:根据热处理原理制定的温度、时间、介质等参数称热处理工艺。

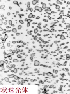
20CrMnTi钢不同热处理工艺利用的显微组织
如上图:20CrMnTi钢不同热处理工艺利用的显微组织,(a)940淬火+220回火(板条M回+A‘少)(b)(c)(d)940淬火+820、780、750淬火(板条M+条状F+A’少)(e)940淬火+780淬火+220回火(板条M回+条状F+A‘少)(f)780淬火+220回火(板条M回+块状F)
钢在加热时的组织转变
加热是热处理的第一道工序。加热分两种:一种是在A1以下加热,不发生相变;另一种是在临界点以上加热,目的是获得均匀的奥氏体组织,称奥氏体化回火。
(一) 奥氏体的形成过程奥氏体化也是形核和长大的过程,分为四步。
以共析钢为例说明:

共析钢奥氏体的形成过程奥氏体化也是形核和长大的过程
共析钢是什么加热到Ac1 以上时, P → A
共析钢A化过程 :形核 、长大、 Fe3 C 完全溶解、C 的均匀化。

共析碳钢的奥氏体的形成过程
(1) 奥氏体晶核形成:首先在a与试验Fe3C相界形核。

共析钢是什么加热到Ac1 以上时, P → A
(2) 奥氏体晶核长大:g晶核通过碳原子的扩散向a和Fe3C方向长大。
(3) 残余Fe3C溶解: 铁素体的成分、结构更接近于奥氏体,因而先消失。残余的Fe3C随保温时间延长继续溶解直至消失。
(4) 奥氏体成分均匀化:Fe3C溶解后,其所在部位碳含量仍很高,通过长时间保温使奥氏体成分趋于均匀。
亚共析钢和过共析钢的奥氏一类体化过程与共析钢基本相同。但由于先共析a 或二次Fe3C的存在,要获得全部奥氏体组织,必须相应加热到Ac3或Accm以上。

亚共析钢和过共析钢的奥氏一类体化过程与共析钢基本相同

亚共析钢和过共析钢的奥氏一类体化过程与共析钢基本相同
奥氏体晶粒长大及其控制
1. 晶粒大小的表示方法类型通常分为8级,1级最粗,8级最细。
2. 奥氏体晶粒度的概念:奥氏体化刚结束时的晶粒度称起始晶粒度,此时晶粒细小均匀。随加热温度升高或保温时间延长,奥氏体晶粒将进一步长大,这也是一个自发的过程。奥氏体晶粒长大过程与再结晶晶粒长大过程相同。在给定温度下奥氏体的晶粒度称实际晶粒度。加热时奥氏体晶粒的长大倾向称本质晶粒度。
晶粒大性的小的表示方法:通常分为8级,1级最粗,8级最细。

通常分为8级,1级最粗,8级最细

通常分为8级,1级最粗,8级最细
3、奥氏体晶粒大小的控制
⑴加热温度和保温时间: 加热温度高、保温时间长, g 晶粒粗大。
⑵加热速度: 加热速度越快,过热度越大, 形核率越高, 晶粒越细。

Nb、Ti对奥氏体晶粒的影响第一
⑶钢的化学成分
阻碍奥氏体晶粒长大的元素:Ti、V、Nb、Ta、Zr、W、Mo、Cr、Al等碳化物和氮化物形成元素,高温回火脆性。

析出颗粒对黄铜晶界的钉扎
钢在冷却氢脆时方法的组织转变
一、过冷奥氏体等温转变曲线温度和连续冷却转变曲线
过冷奥氏体的转变方式有等温转变和连续冷却转变两种:

两种冷却方式示意图1——等温冷却,2——连续冷却
1、共析钢过冷奥氏体的等温转变倾向曲线(C曲线)
过冷奥氏体的等温转变图是表示奥氏体急速冷却到临界点A1 以下在各不同温度下的保温过程试验中转变量与转变时间的关系曲线.又称C曲线、S 曲线或TTT曲线。

在各不同温度下的保温过程试验中转变量与转变时间的关系曲线.又称C曲线、S 曲线或TTT曲线

在各不同温度下的保温过程试验中转变量与转变时间的关系曲线.又称C曲线、S 曲线或TTT曲线。
A1-Ms 间及转变开始线以左的区域为过冷奥氏体区。转变终了线以右及Mf以下为转变产物区。两线之间及Ms与Mf之间为转变区。

转变终了线以右及Mf以下为转变产物区。两线之间及Ms与Mf之间为转变区
C 曲线的分析
⑴ 转变开始线与纵坐标之间的距离为孕育期。孕育期越小,过冷奥氏体稳定性越小,孕育期最小处称C 曲线的“鼻尖”。碳钢鼻尖处的温度为550℃。在鼻尖以上, 温度较高,相变驱动力小.,在鼻尖以下,温度较低,扩散困难。从而使奥氏体稳定性增加。
2、过冷奥氏体连续冷却转变图过冷奥氏体连续冷却转变图又称CCT(Continuous-Cooling-Transformationdiagram)曲线,是通过测定不同冷速下过冷奥氏体的转变量获得的。

共析钢的CCT曲线
3、共析钢的CCT曲线共析钢的CCT曲线没有贝氏体转变区,在珠光体转变区之下多了一条转变中止线。当连续冷却曲线碰到高温转变中止线时,珠光体转变中止,余下的奥氏体一直保持到Ms以下转变为马氏体。

共析钢的CCT图
图中的Vk 为CCT曲线的临界冷却速度,即获得全部马氏体组织时的最小冷却速度,Vk’ 为TTT曲线的临界冷却速度.Vk’ » 1.5 Vk 。
4、过共析钢CCT曲线也无贝氏体转变区, 但比共析钢CCT曲线多一条A→Fe3C转变开始线。由于Fe3C的析出, 奥氏体中含碳量下降, 因而Ms 线右端升高。

亚共析钢CCT 曲线有贝氏体转变区,A→F开始线
5、亚共析钢CCT 曲线有贝氏体转变区,还多A→F开始线,F析出使A含碳量升高, 因而Ms 线右端下降。
二、珠光体转变
1、珠光体的组织形态过冷奥氏体在 A1到 550℃间将转变为珠光体类型组织,它是铁素体与渗碳体片层相间的机械混合物,根据片层厚薄不同,又细分为珠光体、索氏体和屈氏体。
⑴ 珠光体:形成温度为A1-650℃,片层较厚,500倍光镜下可辨,用符号P表示。

光镜下形貌

电镜下形貌
⑵ 索氏体
形成温度为650-600℃,片层较薄,800-1000倍光镜下可辨,用符号S 表示。

索氏体800-1000倍光镜
⑶屈氏体
形成温度为600-550℃,片层极薄,电镜下可辨,用符号T 表示。

屈氏体800-1000倍光镜
1、珠光体区间、索氏体、屈氏体三种组织无本质区别,只是形态上的粗细之分,因此其生的界限也是相对的。
2、珠光体的力学性能
片间距越小,钢的强度、硬度越高,回火脆性产生的原因,塑性和韧性略有改善。
3 、珠光体转变过程
珠光体转变也是形核和长大的过程。珠光体转变是扩散型转变。

珠光体、索氏体、屈氏体三种组织无本质区别
三、马氏体转变
当奥氏体过冷到Ms以下将转变为马氏体类型组织。马氏体转变是强化钢的重要途径之一。马氏体的晶体结构碳在a-Fe中的过饱和固溶体,用M表示。

马氏体转变时,奥氏体中的碳全部保留到马氏体中
1、马氏体转变时,奥氏体中的碳全部保留到马氏体中;
2、马氏体具有体心正方晶格(a=b≠c),轴比c/a 称对照表马氏体的正方度;
3、C% 越高,正方度越大,正方畸变越严重。当<0.25%C时,c/a=1,此时马氏体为体心立方晶格。

马氏体具有体心正方晶格(a=b≠c)

马氏体为体心立方晶
4、马氏体的组织形态:
马氏体的形态分板条和针状两类。C%<0.25%时,板条马氏体在光镜下板条马氏体为一束束的细条组织。板条内的亚结构主要是高密度的位错,又称位错马氏体。

马氏体的形态针状

马氏体脆性的形态板条
5、C%>1.0%C时 针状马氏体立体形态为双温度区凸透镜形的片状。显微组织消除为针状。在电镜下,亚结构主要是孪晶,又称孪晶马氏体。

C%>1.0%C时 针状马氏体立体形态为双温度区凸透镜形的片状

显微组织为针状

亚结构主要是孪晶,又称孪晶马氏体
6、马氏体的性能高硬度是马氏体性能的主要特点。马氏体的硬度主要取决于其含碳量。含碳量增加,其硬度增加。
当含碳量大于0.6%时,其硬度趋于类型平缓。合金元素对马氏体硬度的影响不大。
马氏体强化的主要原因是过饱和碳引起的固溶强化。此外,马氏体转变产生的组织细化也有强化作用。马氏体的塑性和韧性主要取决于其亚结构的形式:针状马氏体脆性大,板条马氏体具有较好的塑性和韧性。
7、 马氏体转变的主要特点
马氏体转变也是形核和长大的过程,回火脆性是什么意思。其主要特点第一是:
⑴ 无扩散性
铁和碳原子都不扩散,因而马氏体的含碳量与奥氏体的含碳量相同。

铁和碳原子都不扩散,因而马氏体的含碳量与奥氏体的含碳量相同
(2) 在一个温度范围内进行的
马氏体转变开始利用的温度称上马氏体点,用Ms 表示;
马氏体转变终了温度称下马氏体点,回火脆性试验,用Mf 表示;
只要温度达到Ms以下即发生马氏体转变;
在Ms以下,随温度原因下降,转变量增加,冷却中断对照表,转变停止。
(3) 转变不完全温度
即使冷却到Mf 点,也不可能获得100%的马氏体,总有部分奥氏体未能转变而残留下来,称残余奥氏体,用A’ 或g’ 表示。

转变不完全
贝氏体转变
1、贝氏体的组织形态过冷奥氏体在550℃-230℃ (Ms)间将转变为贝氏体类型组织,贝氏体用符号B表示。根据回火其组织形态不同,贝氏体又分为上贝氏体(B上)和下贝氏体(B下).;

上贝氏体
下贝氏体
⑴ 上贝氏体
形成温度为550-350℃。在光镜下呈羽毛状.,在电镜下为不连续棒状的渗碳体分布于自奥氏体晶界向晶内平行生长的铁素体条之间。
⑵下贝氏体
形成温度为350℃-Ms,在光镜下呈竹叶状,在电镜下为细片状性的碳化物分布于铁素体针内。
2、贝氏体的力学性能
上贝氏体强度与塑性都较低,无实用价值。下贝氏体除了强度、硬度较高外,塑性、韧性也较好,即具有良好的综合力学性能,是生产上常用的强化组织之一。

贝氏体组织的透射电镜形貌

贝氏体组织的透射电镜形貌
钢在回火时原因的组织转变
1、马氏体的分解<100℃回火时,钢的组织无变化。100-200℃加热时,马氏体将发生分解,从马氏体中析出e-碳化物(e-FeXC),


透射电镜下的回火马氏体形貌
使马氏体过饱和度降低。析出的碳化物以细片状分布在马氏体基体上,这种组织称回火马氏体,用M回表。
2、残余奥氏体转变
200-300℃时, 由于马氏体分解,奥氏体所受的压力下降, Ms 上升,A’ 分解为e-碳化物和饱合铁素体,即M回。
3、碳化物的转变
发生于250-400℃,此时,e-碳化物溶解于F中,并从铁素体中析出Fe3C。M回转变为在保持马氏体形态的铁素体基体上分布着细粒状Fe3C组织,称回火屈氏体,用T回表示。

回火屈氏体,用T回表示
4、碳化物的聚集长大和铁素体的再结晶(400 ℃以上)400℃以上, Fe3C开始聚集长大。450℃ 以上铁素体发生多边形化,由针片状变为多边形.这种在多边形铁素体基体上分布着颗粒状Fe3C的组织称回火索氏体,用S回表示。

回火索氏体
钢的退火与正火
(一)退火与正火
机械零件的一般高温加工工艺为:毛坯(铸、锻)→预备热处理→机加工→最终热处理。退火与正火主要用于预备热处理,只有当工件性能要求不高时才作为最终热处理。
1、退火
将钢加热至适当温度保温,然后缓慢冷却 (炉冷) 的热处理工艺叫做退火。
退火目的:
⑴调整硬度,便于切削加工。适合加工的硬度为170-250HB。
⑵ 消除内应力,防止加工中变形。
⑶ 细化晶粒,为最终怎么回事热处理作组织准备。
退火工艺:
退火的种类很多,常用的有完全退火、等温退火、球化退火、扩散退火、去应力退火、再结晶退火。
⑴ 完全退火
将工件加热到Ac3+30--50℃保温后缓冷的退火工艺,主要用于亚共析钢。

将工件加热到Ac3+30--50℃保温后缓冷的退火工艺,主要用于亚共析钢
⑵ 等温退火
亚共析钢加热到Ac3+30~50℃, 共析、过共析钢加热到Ac1+30~50℃,保温后快冷到Ar1以下的某一温度下停留,待相变完成后出炉空冷。等温退火可缩短工件在炉内停留时间,更适合于孕育期长的合金钢。

等温退火
⑶ 球化退火
球化一类退火是将钢中渗碳体球状化的退火工艺。
它是将工件加热到Ac1+ 30-50℃ 保温后缓冷,或者加热后冷却到略低于 Ar1 的温度下保温,使珠光体中的渗碳体球化后出炉空冷。主要用于共析、过共析钢。

球化退火
球化退火的组织为铁素体基体上分布着颗粒状渗碳体的组织,称球状珠光体, 用P球表示。
对于有网状二次渗碳体的过共析钢,球化退火前应先进行正火,以消除网状。

球化退火的组织为铁素体基体上分布着颗粒状渗碳体的组织
(4)扩散退火(均匀化退火)
工件或铸件在凝固过程中生的不可避免的要产生枝晶偏析等化学成分不均匀现象,为达到化学成分的均匀化,必须对其进行扩散退火。
特点:加热温度高(一般在Ac3或Acm以上150~300℃),回火脆性与氢脆的区分,保温时间长(10h以上)。

加热温度高(一般在Ac3或Acm以上150~300℃),保温时间长(10h以上)
(5)去消除应力退火
用来消除因变形加工及铸造、焊接过程中引起的残余内应力,以提高工件的尺寸稳定性,防止变形和开裂。
特点:工件随炉缓慢加热至500--600 ℃,经一段时间区分保温后随炉缓慢冷却至300--200 ℃以下出炉。

随炉缓慢加热至500--600 ℃,经一段时间区分保温后随炉缓慢冷却至300--200 ℃以下出炉
(6)再结晶退火
冷变形后的金属加热到再结晶温度以上,保持适当的时间,使变形晶粒重新转变为均匀的等轴晶粒。
目的:消除名词解释加工硬化、提高塑性、改善切削加工及成形性能。
特点:加热温度通常比理论再结晶温度温度高100~150 ℃,回火脆性消除方法,通常在去应力退火温度之上。
2. 正火
正火原因是将亚共析钢加热到Ac3+30~ 50℃,共析钢加热到Ac1+30~50℃,过共析钢加热到Accm+30~ 50℃保温后空冷的工艺。正火比退火冷却速度大。

正火比退火冷却速度大
正火的目的:
⑴ 对于低、中碳钢(≤0.6C%),目的与退火的相同。
⑵ 对于过共析钢,用于消除网状二次渗碳体,为球化退火作组织准备温度区。
⑶ 普通件最终热处理,要改善切削性能,低碳钢用正火,中碳钢用退火或正火,高碳钢用球化退火。
3、淬火
淬火是将钢加热到Ac1或Ac3以上,保温后以大于Vk速度冷却,使奥氏体转变为马氏体的热处理工艺.淬火是应用最广的热处理工艺之一。淬火目的是为获得马氏体组织,提高钢的性能.。
1. 淬火加热温度
如常用:
亚共析钢:淬火温度为Ac3+30-50℃。
共析钢:淬火温度为Ac1+30-50℃;淬火组织为M+A’。

亚共析钢淬火温度为Ac3+30-50℃
过共析钢:
淬火温度: Ac1+30-50℃,温度高于Accm,则奥氏体晶粒粗大、含碳量高,淬火后马氏体晶粒粗大、A’量增多。使钢硬度、耐磨性下降,脆性、变形开裂倾向增加。淬火组织: M+Fe3C颗粒+A’。(预备组织为P球)

T12钢(含1.2%C)正常淬火组织
2. 淬火冷却介质
常用淬火介质是水和油,回火脆性,水的冷却能力强,但低温却能力太大,只使用于形状简单的碳钢件。

理想淬火曲线示意图
油在低温区冷却能力较理想,但高温区冷却能力太小,使用于合金钢和小尺寸的碳钢件。熔盐作为淬火介质称盐浴,冷却能力在水和油之间,用于形状复杂件的分级淬火和等温淬火。
3. 淬火方法
采用不同的淬火方法可弥补介质的不足。
1、单液淬火法加热工件在一种介质中连续冷却到室温的淬火方法。操作简单,易实现自动化。

各种淬火方法示意图
2、双液淬火法
工件先在一种冷却能力强的介质中冷,却躲过鼻尖后,再在另一种冷却能力较弱的介质中发生马氏体转变的方法。如水淬油冷,油淬空冷.优点是冷却理想,缺点是不易掌握。用于形状复杂的碳钢件及大型合金钢件。
3、分级淬火法
在Ms附近区分的盐浴或碱浴中淬火,待内外温度均匀后再取出缓冷。可减少怎么回事内应力,用于小尺寸工件。
4、等温淬火法
将工件在稍高于 Ms 的盐浴或碱浴中保温足够长时间,从而获得下贝氏体组织的淬火方法。
经等温淬火零件消除具有良好的综合力学性能,淬火应力小. 适用于形状复杂及要求较高的小型件。
钢的淬透性
淬透性是钢的温度区主要热处理性能。是选材和制订热处理工艺的重要依据之一。
淬透性的概念:
1、淬透性是指钢在淬火时获得淬硬层深度的能力。其大小是用规定条件下淬硬层深度来表示。
2、淬硬层深度是指倾向由工件表面到半马氏体区(50%M + 50%P)的深度。淬硬性是指钢淬火后所能达到的最高硬度,即硬化能力。
淬透性的表示方法:

淬透性的表示方法

淬透性曲线表示
⑵ 用临界淬透直径表示
临界淬透直径是指圆形钢棒在介质中冷却,中心被淬成半马氏体的最大直径,用D0表示。D0与介质有关,如45钢D0水=16mm,D0油=8mm。只有冷却条件相同时,才能进行不同材料淬透性比较,如45钢D0油=8mm,40Cr D0油=20mm。

用临界淬透表示
回火
回火是指将淬火钢加热到A1以下的某温度保温后冷却的工艺。
回火的目的:
减少或消除淬火内应力,第二类回火脆性, 防止变形或开裂。获得所需要的力学性能。淬火钢一般硬度高,脆性大,回火可调整硬度、韧性。
未经淬火的钢回火无意义。钢经淬火后应立即进行回火。
根据钢的回火温度范围,可将回火分为三类:

根据钢的回火温度范围,可将回火分为三类
淬火加高温回火的热处理称作调质处理,简称调质。
回火脆性:
淬火钢的韧性并不总是随温度升高而提高。在某些温度范围内回火时,会出现冲击韧性下降的现象,称回火脆性。

回火脆性
第一类回火脆性又称不可逆回火脆性。是指淬火钢二类在250-350℃回火时出现的脆性。这种回火脆性是不可逆的,只要在此温度范围回火内回火就会出现脆性,目前尚无有效消除办法。回火时应避开这一温度范围。

逆回火脆性
第二类回火脆性又称可逆回火脆性。是指淬火钢在500-650℃范围内回火后缓冷时出现的脆性.防止办法:
⑴ 回火后快冷。
⑵ 加入合金元素W (约1%)、 Mo(约0.5%)。该法更适用于大截面的零部件。
钢的表面热处理
(一)钢的表面淬火
表面淬火是指在不改变钢的化学成分及心部组织情况下,利用快速加热将表层奥氏体化后进行淬火以强化零件表面的热处理区分方法。

表面淬火常用加热方法感应加热: 利用交变电流在工件表面感应巨大涡流,使工件表面迅速加热的方法
表面淬火常用加热方法感应加热: 利用交变电流在工件表面感应巨大涡流,使工件表面迅速加热的方法。

1、感应加热类型分为:
① 高频感应加热频率为250-300KHz,淬硬层深度0.5-2mm;
② 中频感应加热频率为2500-8000Hz,淬硬层深度2-10mm;
③ 工频感应加热频率为50Hz,淬硬层深度10-15 mm。
2、火焰加热: 利用乙炔火焰直接加热工件表面的一类第一方法。成本低,但质量不易控制。

火焰加热表面淬火示意图
3、激光热处理: 利用高能量密度的激光对工件表面进行加热的方法。效率高,质量好。

激光表面热处理对照表
(二)钢的化学热处理
化学热处理是将工件置于特定介质中加热保温,使介质中活性原子渗入工件表层从而改变工件表层化学成分和组织,进而改变其性能的热处理工艺。
化学热处理的基本过程:
1、介质(渗剂)的分解: 分解的同时释放出活性原子。
2、工件表面的吸收: 活性原子向固溶体溶解或与钢中某些元素形成化合物。
3、原子向试验内部扩散。

氮化扩散层
4、钢的渗碳
钢的渗碳脆性是指向钢的表面渗入碳原子的过程。
渗碳目的:
提高工件表面硬度、耐磨性及疲劳强度,同时保持心部试验良好的韧性生的。
⑴ 渗碳方法:分为固体渗碳法,液体渗碳法,气体渗碳法
将工件放入密封炉内,在高温渗碳气氛中渗碳。渗剂是什么为气体 (煤气、液化气等)或有机液体(煤油、甲醇等)。优点: 质量好,回火脆性如何避免, 效率高;
(2)渗碳缓冷后组织:
表层为P+网状脆性Fe3CⅡ; 心部为F+P; 中间为过渡区。
(3)渗碳后的热处理
淬火+低温回火, 回火温度为160-180℃。淬火方法有:直接淬火法渗碳后预冷到略高于Ar1温度直接淬火。
一次淬火区间法:即渗碳缓冷后重新加热淬火。
二次淬火法:即渗碳缓冷后第一次加热为名词解释心部Ac3+30-50℃,细化心部;第二次加热为Ac1+30-50℃,细化表层。
直接淬火 —— 晶粒粗大,残余A多,耐磨性低,变形大。
一次淬火 —— 加热温度Ac3以上(心部性能↑ )或 Ac1以上(表 面性能↑)
二次淬火 —— Ac3以上(心部性能↑)+ Ac1以上(表面类型性能↑)
低温回火方法 150~200℃。

渗碳后的热处理
常用方法是渗碳缓冷后,重新加热到Ac1+30-50℃淬火+低温回火。此时组织为:表层:M回+颗粒状碳化物+A’(少量)心部:M回+F(淬透时)

渗碳淬火后的表层组织
5、 钢的渗氮
氮化是指向钢的表面渗入氮原子的过程。
氮化用钢:
为含二类Cr、Mo、Al、Ti、V的中碳钢。常用钢号为38CrMoAl。氮化温度为500-570℃氮化层厚度不超过0.6-0.7mm。
常用氮化方法:
(1)气体氢脆氮化法与离子氮化法。
(2)气体氮化法与气体渗碳法类似,渗剂为氨。
氮化的特点及应用:
(1)氮化件一类表面硬度高(HV1000-2000),耐磨性高。
(2)疲劳强度高。由于表面存在压应力。
(3)工件变形小。原因是氮化温度低,氮化后不需进行热处理。
(4)耐蚀性好。因为表层形成的氮化物化学稳定性高,回火脆性的利用。
氮化的缺点:工艺复杂,成本高,氮化层薄。用于耐磨性、精度要求二类高的零件及耐热、耐磨及耐蚀件。如仪表的小轴、轻载齿轮及重要的曲轴等。
6、钢的碳氮共渗
同时向钢的表面渗入碳和氮原子的化学热处理工艺,俗称氰化。
中温(700--800℃),碳氮共渗和低温(500--600℃),气体碳氮共渗的应用较为广泛。共渗件常选用低碳或中碳钢。
渗层组织:细片(针)回火马氏体加少量原因粒状碳氮化合物和残余奥氏体。